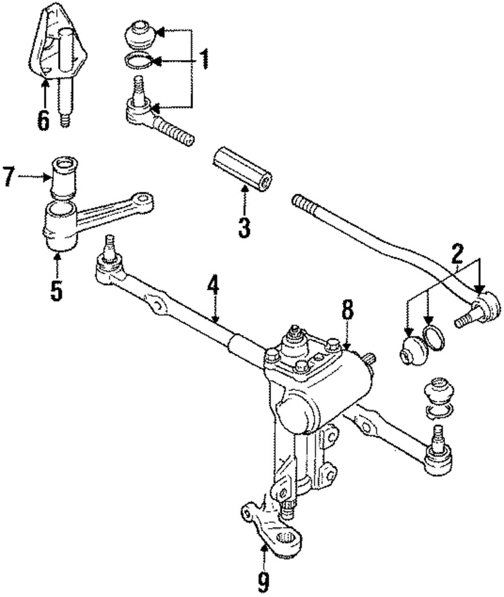
Adjust Tube - GM (96058699)
Also Purchased
Vehicle Fitment
Select Your Vehicle Select
| Year | Make | Model | Body & Trim | Engine & Transmission |
|---|
Parts McElveen
Shop authentic Buick and GMC parts here at Parts McElveen. Our entire catalog of Buick and GMC parts and accessories are genuine straight form the original manufacturer. Use our VIN lookup tool to ensure that you have the perfect fit for your vehicle. Orders can be shipped directly to your door!
GM
Shop authentic OEM GM and Buick products. Keep your vehicle running at its best by using only authentic OEM parts.
